TK Audio M/S Station
Artikelnummer 1081795Avancerat M/S Verktyg för Mastering
Kampanjinfo
TK AUDIO BlackFriday Deals 2025 Until December 8M/S Station är en produkt för mastering och mix-bus som är uppdelad i två sektioner med separat balanserade in- och utgångar för möjligheten att placera sektionerna på olika platser i ljudkedjan.
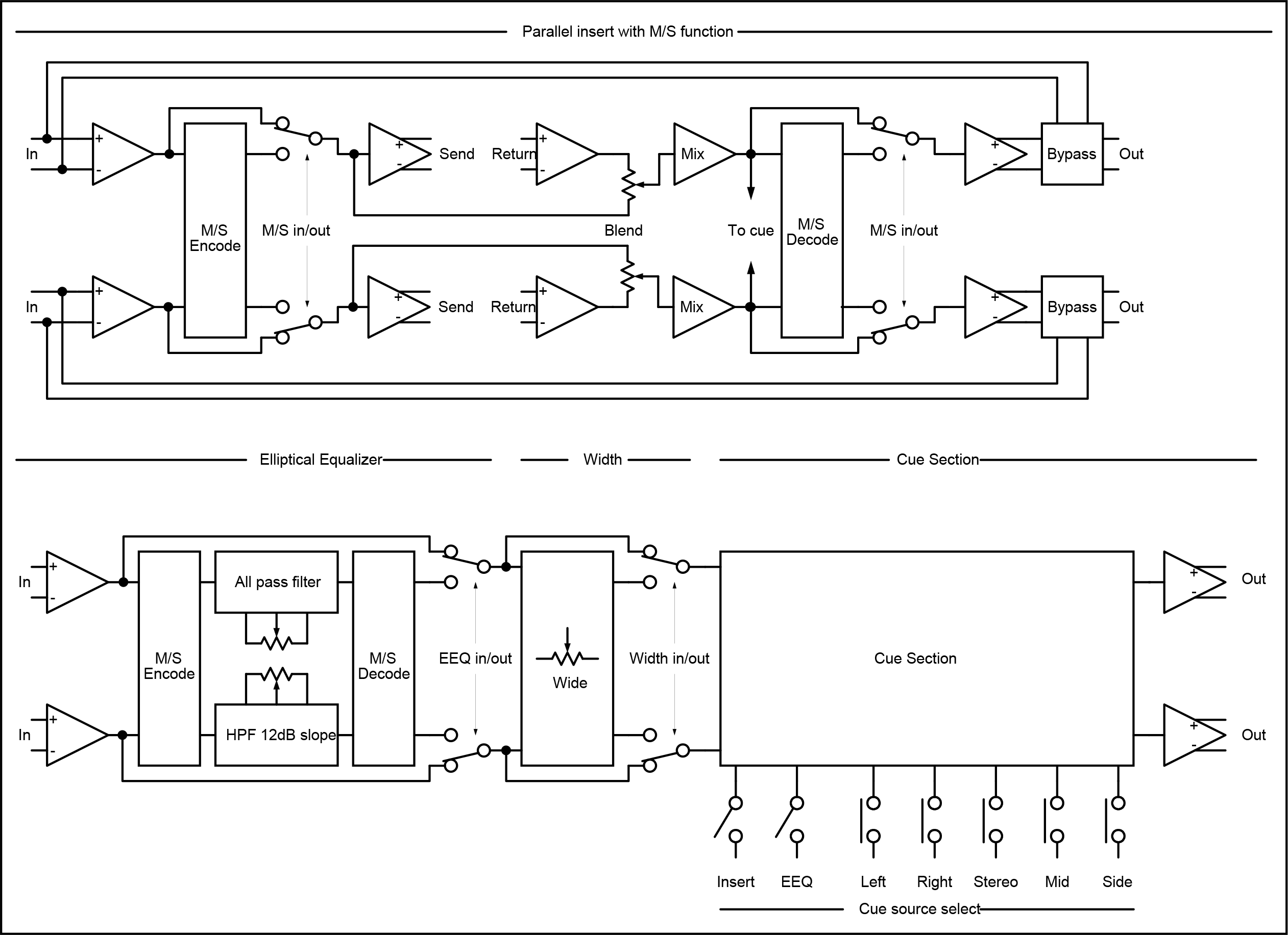
Sektion 1 är en parallell insert med M/S-funktion där man även kan splitta blendkontrollerna i M/S-läget för att få separata kontroller för mid och side.
Sektion 2 som är tänkt att användas sist i kedjan innehåller tre separata delar:
1. Elliptisk EQ som gör signalen under en förinställd frekvens till mono för att få en mer fokuserad lågbas.
2. Wide-kontroll från mono till extra bred för att finjustera din stereobild.
3. Avancerad cue-funktion där du kan sololyssna på L, R, stereo, mid eller side separat. Man kan även lyssna på mid eller side från insertsektionen även om sektionen är placerad tidigare i kedjan, slutligen kan man lyssna de på låga frekvenserna som mixas till mono av den elliptiska EQn.